SINOMACH CHANGLIN ZL50E-5 wheel loader parts catalog 14
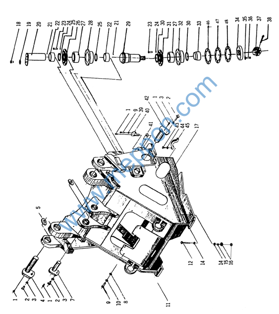
Z50E.32(1)
车架总成(一) Frame Ass‘y(1)

Z50E.32(1)
车架总成(一) Frame Ass‘y(1)
|
序号 No. |
零 Part No. |
名 Part Name |
数量 Q’ty |
|
31 32 33 34 35 36 37 38 39 40 41 42 43 44 45 46 47 48 |
Z50B.12-6 Z50B.12A-4 Z50E.12Q-3 Z50E.12Q-2 B-Q020490-00003 B-G057820-00042 Z50E.12Q-7 B-G000910-00068 B-Q01201E-00001 Z50B.12B.3 Z50B.12-9 Z50B.12.12A B-G057830-00057 B-G000930-00005 Z50B.12.2E.2 Z50E.12Q-4 Z50E.12Q-5 Z50E.12Q-6 |
下轴承盖 Lower hinge shaft 下轴承座 Lower bearing cover 轴套 Bushing 板 Plate 垫圈 12 Washer 螺栓 M12×55 10.9 ZnD Bolt 槽形螺母 Castle nut 销 8×90 ZnD Pin 垫圈 12 Washer 铰销组件 40×132A Hinge pin assembly 支架垫 Pad 下铰销组件 Lower hinge assembly 螺栓 M14×35 ZnD Bolt 垫圈 14 Washer 板 Plate 调整垫片 t0.5 Adjusting shim 调整垫片 t1 Adjusting shim 调整垫片 t0.2 Adjusting shim |
1 1 1 1 8 8 1 1 4 2 2 2 2 2 1 4 2 4 |
Z50E.32(2)
车架总成(二) Frame Ass‘y(2)

Z50E.32(2)
车架总成(二) Frame Ass‘y(2)
|
序号 No. |
零 Part No. |
名 Part Name |
数量 Q’ty |
|
1 2 3 4 5 6 7 8 9 10 11 12 13 14 15 16 17 18 19 |
Z50E.12U.1 Z50E.12F.6B Z50E.12F.5B Z50E.12F-1 B-Q020490-00011 B-G057830-00100 Z50E.12F.5.2 Z50E.12F.5-1 B-G061700-00003 Z50E.12U.2 Z50B.12.6 Z50B.12.7 Z50B.12.5 Z50B.12-10 Z50B.12B.3 Z50B.12.15 Z50B.12.16 Z50B.12A.3 Z50B.12.14 |
后车架 Rear frame 右电瓶箱 Right battery box 左电瓶箱 Left battery box 护套 Rubber ring 垫圈 20 Washer 螺栓 M20×55 ZnD Bolt 压框 Pressed frame 螺栓杆 Screw 螺母 M10 ZnD Nut 配重 Balance weight 上摆架 Upper balanced frame 下摆架 Lower balanced frame 摆架销轴 Axis pin 摆架轴套 Bushing 铰销组件 40×132A Hinge pin 销 Pin 保险销 Locking pin 车架锁 Frame pin 销 Pin |
1 1 1 4 8 8 2 4 16 1 1 1 2 2 2 1 1 1 1 |
Z50E.13P(R&S)+Z50E.31.GO工作装置及铲斗
Working Equipment & Bucket

Z50E.13P(R&S)+Z50E.31.GO工作装置及铲斗
Working Equipment & Bucket
|
序号 No. |
零 Part No. |
名 Part Name |
数量 Q’ty |
|
1 2 3 4 5 6 7 8 9 10 11 12 13 14 15 16 17 18
19 20 21 22 23 24 25 26 27 |
Z50B.13-6 Z50B.13-11A B-G051750-00001 B-Q020490-00015 Z50B.13-16 Z50B.13-14 Z50B.13-13 Z50B.13-9 Z50B.13-8 Z50B.13-5 Z50B.13-10A Z50E.31.GO.1 Z50B.13-4 Z50B.13-12A B-J07940A-00001 Z50B.13-1 Z50B.13.1 Z50E.13P.2.1 Z50E.13R.2.1 Z50B.13.8-2A Z50B.13.8-1A B-G057830-00066 B-Q01201E-00003 Z50E.13N.3 Z50E.13P.1-1 Z50E.13N.5 Z50B.13.4 Z50B.13.13 |
螺栓 Bolt 右边齿 Right tooth 螺母 M24ZnD Nut 垫圈 24 Washer 垫片 Pad 垫片 Pad 垫片 Pad 垫片 Pad 垫片 Pad 螺母 Nut 中间齿 Bucket tooth 通用铲斗 Universal bucket 螺栓 Bolt 左边齿 Left tooth 油杯M10×1 Grease cup 外防尘圈115 Outer dust ring 内防尘圈100 Inner dust ring 焊接连杆 Linkage 焊接连杆 Linkage 轴套 Bushing 轴套 Bushing 螺栓 M16×25 ZnD Bolt 垫圈16 Washer 销轴组件 Shaft assembly 动臂前轴套 Frontal bushing 销轴组件 Shaft assembly 销轴组件 Shaft assembly 内防尘圈110 Inner dust ring |
2 1 2 2 4 2 2 5 5 12 5 1 12 1 8 8 8 1(*) 1(#$) 1 1 8 8 2 2 1 1 12 |
