SINOMACH CHANGLIN 958 wheel loader parts catalog 02
958.1(2) 发动机系统(二) Engine Ststem(2)

958.1(2) 发动机系统(二) Engine Ststem(2)
|
序号 No. |
零 Part No. |
版本 Ver. |
名 Part Name |
数量 Q’ty |
适用车号 Suit Num. |
选装 Cho |
|
|
1 |
958.1.2.2 |
1 |
护风圈 |
Shroud |
1 |
9580005- |
|
|
2 |
B-Q020490-00003 |
1 |
垫圈12 |
Washer |
4 |
9580005- |
|
|
3 |
B-G061700-00007 |
1 |
螺母M12ZnD |
Nut |
4 |
9580005- |
|
|
4 |
958.1-4 |
1 |
连接法兰 |
Joint flange |
1 |
9580005- |
|
|
5 |
958.1-3 |
1 |
法兰 |
Flange |
1 |
9580005- |
|
|
6 |
B-G000930-00001 |
1 |
垫圈10 |
Washer |
4 |
9580005- |
|
|
7 |
B-G00097B-00002 |
1 |
垫圈10ZnD |
Washer |
4 |
9580005- |
|
|
8 |
B-G057830-00016 |
1 |
螺栓M10×45ZnD |
Bolt |
4 |
9580005- |
|
|
9 |
W-02-00168 |
1 |
风扇/4735-42600-YS-762 |
Fan |
1 |
9580005- |
|
|
10 |
958.1.2.1 |
1 |
导风罩 |
Wind cover |
1 |
9580005- |
|
|
11 |
B-G057830-00006 |
1 |
螺栓M10×25ZnD |
Bolt |
36 |
9580005- |
|
|
12 |
B-G000930-00001 |
1 |
垫圈10 |
Washer |
36 |
9580005- |
|
|
13 |
B-G00097B-00002 |
1 |
垫圈10ZnD |
Washer |
36 |
9580005- |
|
|
14 |
W-08-00129 |
1 |
散热器总成PY220H-000 |
Radiator assy’s |
1 |
9580005- |
|
|
15 |
958.1.2.3 |
1 |
散热器支架 |
Radiator support |
1 |
9580005- |
|
|
16 |
B-G057830-00131 |
1 |
螺栓M6×20ZnD |
Bolt |
20 |
9580005- |
|
|
17 |
B-Q020490-00021 |
1 |
垫圈6 |
Washer |
20 |
9580005- |
|
|
18 |
958.1.2-1 |
1 |
板 |
Board |
4 |
9580005- |
|
|
19 |
958.1.2-3 |
1 |
橡胶密封垫 |
Rubber pressurized washer |
2 |
9580005- |
|
|
20 |
W-08-00126 |
1 |
中冷器PY220H-900 |
Air cooler |
1 |
9580005- |
|
|
21 |
W-08-00128 |
1 |
油冷器Z50H-800 |
Oil cooler |
1 |
9580005- |
|
|
22 |
B-G057830-00148 |
1 |
螺栓M8×40ZnD |
Bolt |
4 |
9580005- |
|
|
23 |
B-G000930-00017 |
1 |
垫圈8 |
Washer |
4 |
9580005- |
|
|
24 |
B-G00097B-00023 |
1 |
垫圈8ZnD |
Washer |
4 |
9580005- |
|
|
25 |
B-G061730-00017 |
1 |
螺母M8 |
Nut |
1 |
9580005- |
|
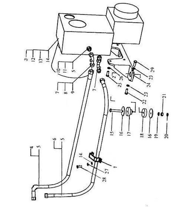
958.1(3) 发动机系统(三) Engine System(3)

958.1(3) 发动机系统(三) Engine System(3)
|
序号 No. |
零 Part No. |
版本 Ver. |
名 Part Name |
数量 Q’ty |
适用车号 Suit Num. |
选装 Cho |
|
|
1 |
958.1.1.1 |
1 |
燃油箱 |
Fuel tank |
1 |
9580005- |
|
|
2 |
Z50G.1.1.2 |
1 |
吸油管盖 |
Cover |
1 |
9580005- |
|
|
3 |
Z50B.1-6 |
1 |
垫 |
Pad |
2 |
9580005- |
|
|
4 |
958.1.1-1 |
1 |
盖 |
Cover |
1 |
9580005- |
|
|
5 |
Z50B.1-14 |
1 |
螺塞 |
Plug |
1 |
9580005- |
|
|
6 |
Z50G.1C.1-1 |
1 |
法兰 |
Flange |
2 |
9580005- |
|
|
7 |
Z50G.1C.1-2 |
1 |
垫 |
Pad |
2 |
9580005- |
|
|
8 |
B-J009990-00001 |
1 |
铰接螺栓M14×1.5×32 |
Bolt |
1 |
9580005- |
|
|
9 |
B-J010020-00003 |
1 |
垫圈14 |
Washer |
2 |
9580005- |
|
|
10 |
B-G057830-00006 |
1 |
螺栓M10×25ZnD |
Bolt |
24 |
9580005- |
|
|
11 |
B-G000930-00001 |
1 |
垫圈10 |
Washer |
24 |
9580005- |
|
|
12 |
B-G00097B-00002 |
1 |
垫圈10ZnD |
Washer |
24 |
9580005- |
|
|
13 |
W-15-00066 |
1 |
预压式空气滤清器 PAF2-0.035-0.55-20F |
Air cleaner |
2 |
9580005- |
|
|
14 |
W-02-00034 |
1 |
带锁(暗锁)加油口盖 |
Cover |
1 |
9580005- |
|
|
15 |
W-15-00084 |
1 |
粗滤器07056-18416 |
Priming filter |
1 |
9580005- |
|
|
16 |
B-J07757B-00001 |
1 |
耐油O型密封圈S10(26501600) |
0-ring |
1 |
9580005- |
|
958.4 变速器系统 Transmission System


958.4 变速器系统 Transmission System
|
序号 No. |
零 Part No. |
版本 Ver. |
名 Part Name |
数量 Q’ty |
适用车号 Suit Num. |
选装 Cho |
|
|
1 |
958.4.3 |
1 |
压板 |
Block |
2 |
9580005- |
|
|
2 |
B-G00097B-00010 |
1 |
垫圈 20 ZnD |
Washer |
4 |
9580005- |
|
|
3 |
958.4-1 |
1 |
螺栓 |
BOLT |
8 |
9580005- |
|
|
4 |
958.4.1.1 |
1 |
胶管接头 |
Hose |
1 |
9580005- |
|
|
5 |
B-Q020710-00040 |
1 |
O形圈24×2.4 |
O-ring |
6 |
9580005- |
|
|
6 |
B-Q020750-00154 |
1 |
胶管接头19Ⅰ-1700 |
Hose |
1 |
9580005- |
|
|
7 |
Z50G.4G.1.1 |
1 |
接管 |
Tube |
2 |
9580005- |
|
|
8 |
B-J010000-00002 |
1 |
螺塞M14×1.5 |
Plug |
2 |
9580005- |
|
|
9 |
B-J010020-00003 |
1 |
垫圈14 |
Washer |
2 |
9580005- |
|
|
10 |
Z50G.4G.1-1 |
1 |
接头 |
Joint |
2 |
9580005- |
|
|
11 |
B-J010020-00010 |
1 |
垫圈30 |
Washer |
2 |
9580005- |
|
|
12 |
W-03-00002 |
1 |
变速器 |
Torque converter transmission |
1 |
9580005- |
|
|
13 |
B-G057830-00011 |
1 |
螺栓M10×35-10.9ZnD |
Bolt |
12 |
9580005- |
|
|
14 |
B-G000930-00001 |
1 |
垫圈10 |
Washer |
24 |
9580005- |
|
|
15 |
B-G057820-00124 |
1 |
螺栓M22×140ZnD |
Bolt |
2 |
9580005- |
|
|
16 |
Z60F.4-1 |
1 |
垫圈 |
Washer |
4 |
9580005- |
|
|
17 |
Z60F.4.4.1 |
1 |
缓冲座 |
Support |
2 |
9580005- |
|
|
18 |
Z60F.4.4-1 |
1 |
缓冲橡胶 |
Cushion |
2 |
9580005- |
|
|
19 |
B-Q020490-00013 |
1 |
垫圈22 |
Washer |
4 |
9580005- |
|
|
20 |
B-G061720-00009 |
1 |
螺母M22 ZnD |
Nut |
2 |
9580005- |
|
|
21 |
B-G061700-00020 |
1 |
螺母M22 ZnD |
Nut |
2 |
9580005- |
|
|
22 |
B-G057830-00104 |
1 |
螺栓M20×80ZnD |
Bolt |
2 |
9580005- |
|
|
23 |
B-G061720-00008 |
1 |
螺母M20ZnD |
Nut |
4 |
9580005- |
|
|
24 |
Z60F.4.3 |
1 |
变速器支承座 |
Support |
1 |
9580005- |
|
|
25 |
B-G057830-00100 |
1 |
螺栓M20×55ZnD |
Bolt |
4 |
9580005- |
|
|
26 |
B-G000930-00008 |
1 |
垫圈20 |
Washer |
4 |
9580005- |
|
|
27 |
B-G00097B-00002 |
1 |
垫圈10ZnD |
Washer |
4 |
9580005- |
|
|
28 |
B-G057830-00003 |
1 |
螺栓M10×20ZnD |
Bolt |
4 |
9580005- |
|
|
29 |
B-G057830-00101 |
1 |
螺栓M20×60ZnD |
Bolt |
2 |
9580005- |
|
