SINOMACH CHANGLIN ZG3210-9C excavator parts catalog 03
321.1C.9 燃油箱 FUEL TANK
|
序号 No. |
零 件 代 号 Part No. |
名 称 Part Name |
数量 Q’ty |
适用车号 Suit Num. |
互换 ICA |
选装 CHO |
|
|
1 |
W-15-00657 |
油箱盖锁NBS1021 |
Lock |
1 |
3210C001- |
||
|
2 |
W-15-00658 |
滤网i05 |
Filter Net |
1 |
3210C001- |
||
|
3 |
W-15-00486 |
液位液温计YWZ-250 |
Gauge Level |
1 |
3210C001- |
||
|
4 |
321.1C.9.1 |
油箱焊件 |
Fuel Tank Wa |
1 |
3210C007- |
||
|
5 |
B-G03452A-00064 |
O形圈155×5.3 |
O-Ring |
1 |
3210C001- |
||
|
6 |
320.1.1.2 |
法兰盖 |
Cover |
1 |
3210C001- |
||
|
7 |
B-G000930-00017 |
垫圈8 |
Washer |
4 |
3210C001- |
||
|
8 |
B-G00097B-00023 |
垫圈8ZnD |
Washer |
4 |
3210C001- |
||
|
9 |
B-G057830-00146 |
螺栓M8×30ZnD |
Bolt |
4 |
3210C001- |
||
|
10 |
W-02-00426 |
放水阀280F |
Valve |
1 |
3210C075- |
||
|
11 |
B-J088700-00009 |
喉箍d18 |
Clamp-hose |
1 |
3210C075- |
||
|
12 |
321.1C.9-2 |
放水管φ15×φ10×500 |
Hose |
1 |
3210C075- |
||
|
13 |
B-J010000-00011 |
螺塞M27×2 |
Plug |
1 |
3210C007- |
||
|
14 |
B-J010020-00009 |
垫圈27 |
Washer |
1 |
3210C007- |
||
|
15 |
321.1C.9-1 |
盖 |
Cover |
1 |
3210C007- |
||
|
16 |
B-G008180-00025 |
螺钉M5×8ZnD |
Bolt |
2 |
3210C007- |
||
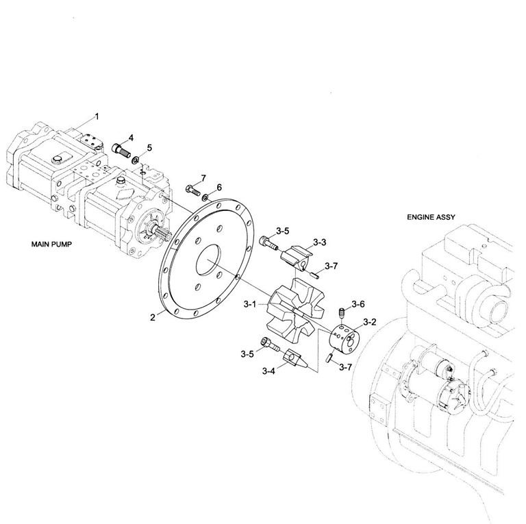
321.2C 泵和油箱的安装(一) PUMP AND TANK INSTALLATION

321.2C 泵和油箱的安装(一) PUMP AND TANK INSTALLATION
|
序号 No. |
零 件 代 号 Part No. |
名 称 Part Name |
数量 Q’ty |
适用车号 Suit Num. |
互换 ICA |
选装 CHO |
|
|
1 |
W-01-00158 |
主泵 |
Main pump |
1 |
3210C001- |
||
|
2 |
320.2-2 |
法兰盘 |
Flange |
1 |
3210C001- |
||
|
3 |
W-03-00217 |
联轴器 |
Coupling |
1 |
3210C001- |
||
|
3-1 |
*弹性件 |
* Element |
1 11 |
||||
|
3-2 |
*轴套 |
* Hub |
1 |
||||
|
3-3 |
*铝体 |
* Insert—A |
4 |
||||
|
3-4 |
*铝体 |
* Insert—B |
4 |
||||
|
3-5 |
*螺栓 |
* Bolt |
8 |
||||
|
3-6 |
*螺栓 |
* Bolt |
2 |
||||
|
3-7 |
*销 |
* Pin-spring |
12 |
||||
|
4 |
B-G057820-00267 |
螺栓M20×60-10.9ZnD |
Bolt 0. |
4 |
3210C001- |
||
|
5 |
B-Q020490-00011 |
垫圈20 |
Washer |
4 |
3210C001- |
||
|
6 |
B-Q020490-00001 |
垫圈10 |
Washer |
12 |
3210C001- |
||
|
7 |
B-G057830-00208 |
螺栓M10×45-10.9ZnD |
Bolt |
12 |
3210C001- |
||
321.2C 泵和油箱的安装(二) PUMP AND TANK INSTALLATION


321.2C 泵和油箱的安装(二) PUMP AND TANK INSTALLATION
|
序号 No. |
零 件 代 号 Part No. |
名 称 Part Name |
数量 Q’ty |
适用车号 Suit Num. |
互换 ICA |
选装 CHO |
|
|
1 |
W-16-01377 |
软管总成 |
Hose ass’y |
1 |
3210C001- |
||
|
1-1 |
O形圈15×2.0 |
O-ring |
2 |
3210C001- |
|||
|
2 |
W-15-00466 |
过渡接头 |
Transition joint |
2 |
3210C001- |
||
|
3 |
B-G03452A-00068 |
O形圈22.1×3.5 |
O-ring |
2 |
3210C001- |
||
|
4 |
B-G03452A-00065 |
O形圈10.8×2.4 |
O-ring |
2 |
3210C001- |
||
|
5 |
W-15-00484 |
过渡接头 |
Transition joint |
2 |
3210C001- |
||
|
6 |
B-G000930-00003 |
垫圈12 |
Washer |
4 |
3210C001- |
||
|
7 |
B-G057830-00040 |
螺栓M12×40-10.9ZnD |
Bolt |
4 |
3210C001- |
||
|
8 |
321.2.2 |
泵进油管 |
Oil tube |
1 |
3210C001- |
||
|
9 |
W-16-01111 |
软管总成 |
Hose ass’y |
1 |
3210C001- |
||
|
9-1 |
O形圈15×2.0 |
O-ring |
2 |
3210C001- |
|||
|
10 |
B-Q020710-00099 |
O形圈80×3.1 |
O-ring |
1 |
3210C001- |
||
|
11 |
B-G057830-00095 |
螺栓M20×45-10.9ZnD |
Bolt |
4 |
3210C001- |
||
|
12 |
321.2.1 |
油箱 |
Tank |
1 |
3210C001- |
||
|
13 |
W-02-00249 |
预紧力弹簧卡箍105 |
Clamp |
4 |
3210C001- |
||
|
14 |
321.2-1 |
低压胶管¢89 |
Low pressure hose |
1 |
3210C001- |
||
|
15 |
B-Q020490-00011 |
垫圈20 |
Washer |
4 |
3210C001- |
||
|
16 |
W-16-01110 |
软管总成 |
Hose ass’y |
1 |
3210C001- |
||
|
16-1 |
O形圈8×1.5 |
O-ring |
2 |
3210C001- |
|||
|
17 |
W-15-00534 |
旋装回油过滤器 |
Spin-on line filter |
1 |
3210C001- |
||
|
17-1 |
滤芯 |
Filter |
1 |
3210C001- |
|||
|
18 |
W-16-01112 |
软管总成 |
Hose ass’y |
1 |
3210C001- |
||
|
18-1 |
O形圈15×2.0 |
O-ring |
2 |
3210C001- |
|||
|
19 |
W-15-00529 |
过渡接头 |
Transition joint |
2 |
3210C001- |
||
|
20 |
W-15-00524 |
胶垫WD-B12 |
Rubber washer |
2 |
3210C001- |
||
|
21 |
B-Q020490-00023 |
垫圈8 |
Washer |
2 |
3210C001- |
||
|
22 |
B-G057830-00139 |
螺栓M8×20ZnD |
Bolt |
2 |
3210C001- |
||
|
|
|||||||
321.2C 泵和油箱的安装(三) PUMP AND TANK INSTALLATION


