SANY SY140C SY140C1C2K EXCAVATOR parts catalog 04
| IC |
INDEX |
PART NUMBER |
QTY |
PART NAME |
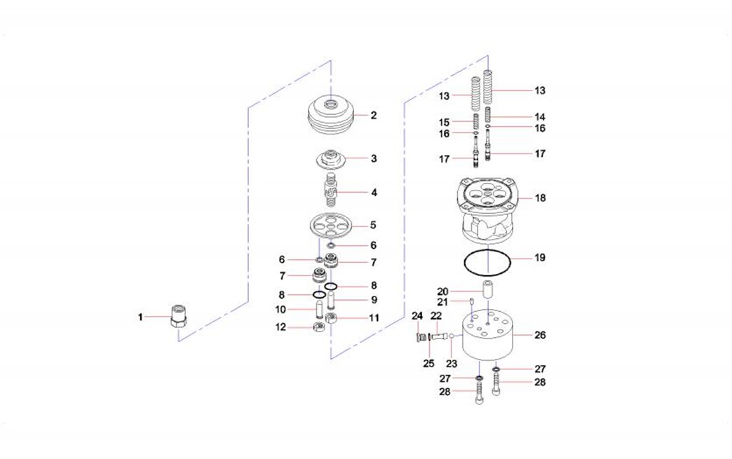
| 2-19-1 |
1 |
60273523 |
1 |
casing |
| 2-19-4 |
4 |
60273524 |
2 |
plug |
| 2-19-5 |
5 |
60221657 |
2 |
O-ring |
| 2-19-7 |
7 |
60273525 |
2 |
seat |
| 2-19-8 |
8 |
60273526 |
2 |
steel ball |
| 2-19-14 |
14 |
60038727 |
2 |
O-ring |
| 2-19-16 |
16 |
60038820 |
4 |
O-ring |
| 2-19-18 |
18 |
60008597 |
4 |
Washer |
| 2-19-24 |
24 |
60273528 |
4 |
spool |
| 2-19-25 |
25 |
60237080 |
4 |
spring seat |
| 2-19-26 |
26 |
60008589 |
4 |
Washer |
| 2-19-27 |
27 |
60008594 |
4 |
Spring |
| 2-19-28 |
28 |
60038221 |
4 |
Spring |

| IC |
INDEX |
PART NUMBER |
QTY |
PART NAME |
| 2-21-1 |
1 |
60038479 |
1 |
Nut |
| 2-21-2 |
2 |
60038013 |
1 |
Sleeve, sealing |
| 2-21-3 |
3 |
60008809 |
1 |
Plate, circular |
| 2-21-4 |
4 |
60008602 |
1 |
Connector |
| 2-21-5 |
5 |
60037936 |
1 |
Plate |
| 2-21-6 |
6 |
60008603 |
4 |
Ring, seal |
| 2-21-7 |
7 |
60008595 |
4 |
Plug |
| 2-21-8 |
8 |
60038715 |
4 |
Ring, seal |
| 2-21-9 |
9 |
60008599 |
2 |
Pushrod |
| 2-21-10 |
10 |
60038601 |
2 |
Plunger |
| 2-21-11 |
11 |
60008758 |
2 |
Seat, spring |
| 2-21-12 |
12 |
60038272 |
2 |
Seat, spring |
| 2-21-13 |
13 |
60008774 |
4 |
Spring |
| 2-21-14 |
14 |
60038242 |
2 |
Spring |
| 2-21-15 |
15 |
60038241 |
2 |
Spring |
| 2-21-16 |
16 |
60008597 |
4 |
Washer |
| 2-21-17 |
17 |
60008760 |
4 |
Spool |
| 2-21-18 |
18 |
60008795 |
1 |
Housing |
| 2-21-19 |
19 |
60008799 |
1 |
O-ring |
| 2-21-20 |
20 |
60008806 |
1 |
Sleeve |

| IC |
INDEX |
PART NUMBER |
QTY |
PART NAME |
| 2-23-21 |
21 |
60038259 |
1 |
Pin, spring |
| 2-23-22 |
22 |
60038704 |
2 |
Seat |
| 2-23-23 |
23 |
60038139 |
3 |
Bearing, ball |
| 2-23-24 |
24 |
60038487 |
3 |
Plug, screw |
| 2-23-25 |
25 |
60038727 |
3 |
O-ring |
| 2-23-26 |
26 |
60037937 |
1 |
Plate |
| 2-23-27 |
27 |
60008598 |
2 |
Washer, seal |
| 2-23-28 |
28 |
60038553 |
2 |
Bolt |

| IC |
INDEX |
PART NUMBER |
QTY |
PART NAME |
| 2-25-1 |
1 |
21002816 |
20 |
Male straight fitting reducer |
| 2-25-2 |
2 |
B230101000049 |
20 |
O-ring 13.8×2.4JISB2401 |
| 2-25-3 |
3 |
B210780000418 |
22 |
Connector |
| 2-25-4 |
4 |
B230103000995 |
5 |
Hose |
| 2-25-5 |
5 |
B230103000980 |
1 |
Hose |
| 2-25-6 |
6 |
21002815 |
8 |
Pipe connector |
| 2-25-7 |
7 |
B230101000047 |
10 |
O-ring |
| 2-25-8 |
8 |
B210780000170 |
11 |
Connector |
| 2-25-9 |
9 |
B230103002657 |
1 |
Hose |
| 2-25-10 |
10 |
B210780001045 |
3 |
Connector |
| 2-25-11 |
11 |
B220400000169 |
2 |
Valve, shuttle, tee |
| 2-25-12 |
12 |
B210780000172 |
2 |
Connector |
| 2-25-13 |
13 |
B230103001898 |
1 |
Hose |
| 2-25-14 |
14 |
B230103001114 |
1 |
Rubber hose |
| 2-25-15 |
15 |
A240700000548 |
1 |
Relay, pressure |
| 2-25-16 |
16 |
A820205000944 |
1 |
Adapter, relay |
| 2-25-17 |
17 |
B230103002045 |
3 |
Rubber hose |
| 2-25-18 |
18 |
A831213035000 |
1 |
Rubber hose |
| 2-25-19 |
19 |
B230103004133 |
1 |
Hose |
| 2-25-20 |
20 |
B230103000817 |
1 |
Hose |

|
IC |
INDEX |
PART NUMBER |
QTY |
PART NAME |
|
2-27-21 |
21 |
A820205001771 |
2 |
Plug |

