XCMG XE80 HYDRAULIC EXCAVATOR SPARE PARTS CATALOGUE 07
800147570 驱动器罩环 Tach Drive Cover

800147570 驱动器罩环 Tach Drive Cover
|
序号 ITEM |
零件代号 Part No |
零件名 |
PART NAME |
数量 Q’TY |
服务代码 S.C |
适用机号 SERIAL NO |
互换性 IA |
替换零件 REPLACEABLE PART |
|
|
零件代号 Part No |
数量 Q’TY |
||||||||
|
1 |
800145014 |
盖板 |
Plate, Cover |
1 |
|||||
|
2 |
800145076 |
O 形密封圈 |
Seal, O Ring |
1 |
|||||
|
3 |
800147320 |
六角法兰螺钉 |
Screw, Hex Flange Head Cap |
2 |
|||||
800147575 风扇皮带轮 Fan Pulley

800147575 风扇皮带轮 Fan Pulley
|
序号 ITEM |
零件代号 Part No |
零件名 |
PART NAME |
数量 Q’TY |
服务代码 S.C |
适用机号 SERIAL NO |
互换性 IA |
替换零件 REPLACEABLE PART |
|
|
零件代号 Part No |
数量 Q’TY |
||||||||
|
1 |
800147486 |
水泵皮带轮 |
Pulley, Water Pump |
1 |
|||||
800147576 风扇皮带轮装置 Fan Pulley Mounting

800147576 风扇皮带轮装置 Fan Pulley Mounting
|
序号 ITEM |
零件代号 Part No |
零件名 |
PART NAME |
数量 Q’TY |
服务代码 S.C |
适用机号 SERIAL NO |
互换性 IA |
替换零件 REPLACEABLE PART |
|
|
零件代号 Part No |
数量 Q’TY |
||||||||
|
1 |
800147374 |
卡盘 |
Plate, Clamping |
1 |
|||||
|
2 |
800147303 |
六角法兰螺钉 |
Screw, Hex Flange Head Cap |
4 |
|||||
800147592 燃油滤清器 Fuel Filter

800147592 燃油滤清器 Fuel Filter
|
序号 ITEM |
零件代号 Part No |
零件名 |
PART NAME |
数量 Q’TY |
服 务 |
适用机号 SERIAL NO |
互换 |
替换零件 REPLACEABLE PART |
|
|
代码 S.C |
性 IA |
零件代号 Part No |
数量 Q’TY |
||||||
|
1 |
800147359 |
燃油滤清器 |
Filter, Fuel |
1 |
|||||
|
2 |
800147454 |
O 形密封圈 |
Seal, O Ring |
1 |
|||||
|
3 |
800147373 |
普通软管接头 |
Coupling, Plain Hose |
1 |
|||||
|
4 |
800147379 |
衬套 |
Spacer, Mounting |
2 |
|||||
|
5 |
800147452 |
燃料传输管 |
Tube, Fuel Transfer |
1 |
|||||
|
6 |
800147453 |
燃油滤清器盖板 |
Head, Fuel Filter |
1 |
|||||
|
7 |
800147455 |
流量传感器 |
Sensor, Fluid Level |
1 |
|||||
|
8 |
800147456 |
O 形密封圈 |
Seal, O Ring |
1 |
|||||
|
9 |
800147457 |
排水塞 |
Plug, Drain |
1 |
|||||
|
10 |
800147460 |
铰接式管接头 |
Screw, Banjo Connector |
2 |
|||||
|
11 |
800145067 |
铰接式管接头 |
Screw, Banjo Connector |
1 |
|||||
|
12 |
800145078 |
六角法兰螺钉 |
Screw, Hex Flange Head Cap |
2 |
|||||
|
13 |
800145586 |
密封圈 |
Washer, Sealing |
2 |
|||||
|
14 |
800147341 |
过滤垫圈 |
Gasket, Filter |
2 |
|||||
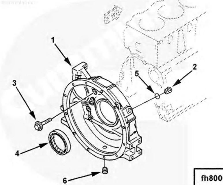
800147605 飞轮壳 Housing Flywheel

800147605 飞轮壳 Housing Flywheel
|
序号 ITEM |
零件代号 Part No |
零件名 |
PART NAME |
数量 Q’TY |
服 务 |
适用机号 SERIAL NO |
互换 |
替换零件 REPLACEABLE PART |
|
|
代码 S.C |
性 IA |
零件代号 Part No |
数量 Q’TY |
||||||
|
1 |
800147406 |
飞轮壳 |
Housing, Flywheel |
1 |
|||||
|
2 |
800147408 |
排水塞 |
Plug, Drain |
1 |
|||||
|
3 |
800145655 |
六角法兰螺钉 |
Screw, Hex Flange Head Cap |
11 |
|||||
|
4 |
800147372 |
油封 |
Seal, Oil |
1 |
|||||
|
5 |
800145051 |
密封圈 |
Washer, Sealing |
1 |
|||||
|
6 |
800147342 |
管塞 |
Pipe Plug |
1 |
|||||
