XCMG XE80 HYDRAULIC EXCAVATOR SPARE PARTS CATALOGUE 08
800147617 油泵装置 Fuel Pump Mounting

800147617 油泵装置 Fuel Pump Mounting
|
序号 ITEM |
零件代号 Part No |
零件名 |
PART NAME |
数量 Q’TY |
服 务 |
适用机号 SERIAL NO |
互换 |
替换零件 REPLACEABLE PART |
|
|
代码 S.C |
性 IA |
零件代号 Part No |
数量 Q’TY |
||||||
|
1 |
800145076 |
O 形密封圈 |
Seal, O Ring |
1 |
|||||
|
2 |
800147445 |
燃油泵齿轮 |
Gear, Fuel Pump |
1 |
|||||
|
3 |
800147501 |
加厚六角螺母 |
Nut, Heavy Hexagon |
1 |
|||||
|
4 |
800147364 |
普通垫圈 |
Washer, Plain |
1 |
|||||
|
5 |
800147446 |
燃油泵支撑 |
Brace, Fuel Pump |
1 |
|||||
|
6 |
800147298 |
柱头螺栓 |
Stud |
2 |
|||||
|
7 |
800147328 |
加厚六角螺母 |
Nut, Heavy Hexagon |
2 |
|||||
|
8 |
800147339 |
O 形密封圈 |
Seal, O Ring |
1 |
|||||
|
9 |
800147444 |
六角螺钉 |
Screw, Hexagon Head Cap |
1 |
|||||
|
10 |
800147302 |
六角法兰螺钉 |
Screw, Hex Flange Head Cap |
1 |
|||||
|
11 |
800145066 |
密封圈 |
Washer, Sealing |
1 |
|||||
|
12 |
800147498 |
六角法兰螺钉 |
Screw, Hexagon Head Cap |
1 |
|||||
|
13 |
800147330 |
普通垫圈 |
Washer, Plain |
1 |
|||||
|
14 |
800147385 |
燃油泵支架 |
Bracket, Fuel Pump |
1 |
|||||
|
15 |
800147312 |
六角法兰螺钉 |
Screw, Hex Flange Head Cap |
1 |
|||||
|
16 |
800147304 |
六角法兰螺钉 |
Screw, Hex Flange Head Cap |
||||||
|
17 |
800147362 |
安装垫圈 |
Spacer, Mounting |
1 |
|||||
|
18 |
800147381 |
安装垫圈 |
Spacer, Mounting |
1 |
|||||
800147642 燃油管 Fuel Plumbing

800147642 燃油管 Fuel Plumbing
|
序号 ITEM |
零件代号 Part No |
零件名 |
PART NAME |
数量 Q’TY |
服 务 |
适用机号 SERIAL NO |
互换 |
替换零件 REPLACEABLE PART |
|
|
代码 S.C |
性 IA |
零件代号 Part No |
数量 Q’TY |
||||||
|
1 |
800147491 |
燃油供给管 |
Tube, Fuel Supply |
1 |
|||||
|
2 |
800147492 |
燃油供给管 |
Tube, Injector Fuel Supply |
1 |
|||||
|
3 |
800147493 |
燃油供给管 |
Tube, Injector Fuel Supply |
1 |
|||||
|
4 |
800147494 |
燃油供给管 |
Tube, Injector Fuel Supply |
1 |
|||||
|
5 |
800147451 |
管夹 |
Clamp, Tube |
2 |
|||||
|
6 |
800147301 |
六角法兰螺钉 |
Screw, Hex Flange Head Cap |
2 |
|||||
800147643 燃油返回 Fuel Return

800147643 燃油返回 Fuel Return
|
序号 ITEM |
零件代号 Part No |
零件名 |
PART NAME |
数量 Q’TY |
服 务 |
适用机号 SERIAL NO |
互换 |
替换零件 REPLACEABLE PART |
|
|
代码 S.C |
性 IA |
零件代号 Part No |
数量 Q’TY |
||||||
|
1 |
800147299 |
六角法兰螺钉 |
Screw, Hex Flange Head Cap |
1 |
|||||
|
2 |
800147341 |
过滤垫圈 |
Gasket, Filter |
2 |
|||||
|
3 |
800147351 |
夹子 |
Clip |
14 |
|||||
|
4 |
800147384 |
不可弯软管 |
Hose, Elbow |
2 |
|||||
|
5 |
800147447 |
铰接式接头 |
Connector, Banjo |
1 |
|||||
|
6 |
800147448 |
外接头 |
Connector, Male |
1 |
|||||
|
7 |
800147449 |
外接头 |
Connector, Male |
1 |
|||||
|
8 |
800147450 |
管帽 |
Cap, Tube |
2 |
|||||
|
9 |
800147458 |
排油管 |
Tube, Fuel Drain |
2 |
|||||
|
10 |
800147459 |
普通软管 |
Hose, Plain |
2 |
|||||

|
序号 ITEM |
零件代号 Part No |
零件名 |
PART NAME |
数量 Q’TY |
服务代码 S.C |
适用机号 SERIAL NO |
互换性 IA |
替换零件 REPLACEABLE PART |
|
|
零件代号 Part No |
数量 Q’TY |
||||||||
|
1 |
800147423 |
环形调速齿轮 |
Flywheel and Ring Gear |
1 |
|||||
|
2 |
800147364 |
普通垫圈 |
Washer, Plain |
6 |
|||||
|
3 |
800147296 |
六角法兰螺钉 |
Screw, Hex Flange Head Cap |
6 |
|||||

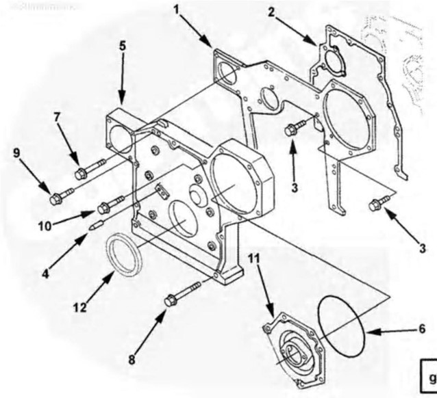
|
序号 ITEM |
零件代号 Part No |
零件名 |
PART NAME |
数量 Q’TY |
服 务 |
适用机号 SERIAL NO |
互换 |
替换零件 REPLACEABLE PART |
|
|
代码 S.C |
性 IA |
零件代号 Part No |
数量 Q’TY |
||||||
|
1 |
800147403 |
金属盖板 |
Plate, Cover |
1 |
|||||
|
2 |
800147497 |
齿轮室盖垫片 |
Gasket, Gear Cover |
1 |
|||||
|
3 |
800147322 |
六角法兰螺钉 |
Screw, Hex Flange Head Cap |
2 |
|||||
|
4 |
800147405 |
定时针 |
Pin, Timing |
1 |
|||||
|
5 |
800147401 |
前齿轮室盖 |
Cover, Front Gear |
1 |
|||||
|
6 |
800147339 |
O 形密封圈 |
Seal, O Ring |
1 |
|||||
|
7 |
800147308 |
螺栓 |
Bolt |
||||||
|
8 |
800147311 |
螺栓 |
Bolt |
2 |
|||||
|
9 |
800147309 |
六角法兰螺钉 |
Screw, Hex Flange Head Cap |
4 |
|||||
|
10 |
800147310 |
六角法兰螺钉 |
Screw, Hex Flange Head Cap |
6 |
|||||
|
11 |
800147402 |
附件驱动盖 |
Cover, Accessory Drive |
1 |
|||||
|
12 |
800147404 |
油封 |
Seal, Oil |
1 |
|||||
