SINOMACH CHANGLIN ZL50E-5 wheel loader parts catalog 13
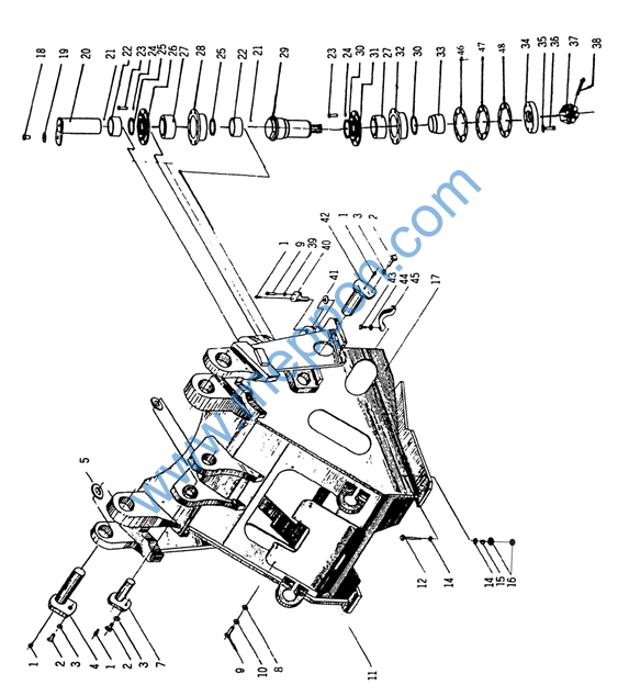
Z50B.11 手制动器 Parking Brake

Z50B.11 手制动器 Parking Brake
|
序号 No. |
零 Part No. |
名 Part Name |
数量 Q’ty |
|
1 2 3 4 5 6 7 8 9 10 11 12 13 14 15 16 17 18 19 20 21 22 23 24 25 26 27 28 29 30 |
B-G061700-00007 B-G000930-00003 B-G00097B-00004 B-G057830-00030 Z50B.11.2 Z30.11B.3.1 Z30.11B.3-1 Z30.11B.3-2 Z30.11B.3.2 Z30.11B.3-3 Z30.11B-8 B-G00097B-00002 B-G000910-00027 B-G000910-00030 B-G00097B-00004 Z30.11B.3-5 Z50B.11.1-7 B-G061700-00034 Z50B.11.1-1 Z50B.11.1-2 B-G061720-00003 Z50B.11.1-4 Z50B.11.1-6 Z50B.11-3 Z50B.11.1-5 B-G057810-00020 Z50B.11-5 Z30.11B.2.3 Z30.11B.2-4 B-G061840-00001 |
螺母 M12 ZnD Nut 垫圈 12 YH Washer 垫圈 12 ZnD Washer 螺栓 M12×25 ZnD Bolt 支架 Support 钩杆 Hook bar 弹簧 Spring 垫片 Gasket 组合杆 Combined rod 撑牙块 Chunk 销轴 Shaft 垫圈 10 ZnD Washer 销 3.2×20ZnD Pin 销 3.2×24ZnD Pin 垫圈 12 ZnD Washer 销轴 Shaft 接头 Joint 螺母 M6 ZnD Nut 螺纹接杆 Bolt connect rod 接套 Nipple 螺母 M14 ZnD Nut 护管 Guard tube 钢丝绳 软轴支架 Flexible shaft support 护罩 Cleaving 螺栓 M12×30 ZnD Bolt 叉 Fork 制动曲柄 Brake crank 销轴 Shaft 螺母 M10 Nut |
4 11 4 4 1 1 1 1 1 1 3 3 3 1 1 1 1 3 2 2 4 1 1 1 2 2 1 1 1 2 |
Z50B.11 手制动器 Parking Brake

Z50B.11 手制动器 Parking Brake
|
序号 No. |
零 Part No. |
名 Part Name |
数量 Q’ty |
|
31 32 33 34 35 36 37 38 39 40 41 42 43 44 45 46 47 48 90 50 51 52 53 54 55 56 |
Z30.11B.2.3-1 Z30.11B.2-10 Z30.11B.2-2 Z30.11B.2-6 Z50B.11.3.2 Z50B.11-7 Z50B.11.3.1 Z30.11B.2-1 Z30.11B.2-9 B-G057830-00050 Z50B.11-1 Z50B.11-6 Z50B.11-2 B-G057820-00173 B-Q020490-00004 Z30.11B.2-3 Z30.11B.2-7 Z30.11B.2-8 Z30.11B.2-5 B-G00861A-00001 B-G061700-00031 B-G001190-00013 B-G000910-00002 Z50B.11-4 B-G000930-00006 B-G057830-00070 |
支座 Pedestal 支座 Pedestal 主夹钳 Main clamp 弹簧拉销 Spring pin 主磨擦块 Main friction block 支座 Pedestal 副磨擦片 Second friction plate 副夹钳 Second clamp 拉杆螺栓 Linkage bolt 螺栓 M12×65 ZnD Bolt 夹钳支架 Clamp support 调整垫片 Adjusting gasket 垫块 Packing block 螺栓 M14×40-10.9 ZnD Bolt 垫圈 14 Washer 复位弹簧 Retraction spring 止动垫 Stop gasket 螺栓 Bolt 拉簧 Tension spring 垫圈 5 Washer 螺母 M5 Nut 销 4×22 Pin 开口销 1.6×10 Cotter pin 制动盘 Brake disc 垫圈 16 Washer 螺栓 M16×35 ZnD Bolt |
1 1 1 1 1 1 1 1 1 1 1 1组 1 5 5 1 1 1 1 2 2 1 1 1 4 4 |
Z50E.32(1)
车架总成(一) Frame Ass‘y(1)

Z50E.32(1)
车架总成(一) Frame Ass‘y(1)
|
序号 No. |
零 Part No. |
名 Part Name |
数量 Q’ty |
|
1 2 3 4 5 7 8 9 10 11 12 14 15 16 17 18 19 20 21 22 23 24 25 26 27 28 29 30 |
B-J07940A-00001 B-G057830-00066 B-Q01201E-00003 Z50B.12.13A B-Q01201C-00008 Z50B.12B.2 B-G00097B-00004 B-G057830-00028 B-G000930-00003 Z50B.12.1A B-G057820-00144 B-G00097B-00014 B-G000930-00010 B-G061700-00023 Z50E.32.1 B-G057830-00066 B-Q01201E-00003 Z50E.12Q.2 B-G000730-00003 Z50B.12-11 B-G057830-00043 B-G000930-00003 B-G10708C-00006 Z50B.12-2 B-G091630-00007 Z50B.12A-5 Z50E.12Q-1 B-G10708C-00007 |
油杯 M10×1 Grease fitting 螺栓 M16×25 ZnD Bolt 垫圈 16 Washer 上铰销组件 Upper hinge pin assembly 垫片 97×150 Pad 铰销组件 95×280A Hunger pin assembly 垫圈 12ZnD Washer 螺栓 M12×20 ZnD Bolt 垫圈 12 Washer 前盖板 Front cover 螺栓M24×280-10.9ZnD Bolt 垫圈 24ZnD Washer 垫圈 24 Washer 螺母 M24 ZnD Nut 前车架 Front frame 螺栓 M16×25 ZnD Bolt 垫圈 16 Washer 上铰接轴 Upper hinge shaft 螺钉 M6×8 Screw 轴套 Bushing 螺栓 M12×45 ZnD Bolt 垫圈 12 Washer 骨架防尘圈 FB80×90×7 Dust ring 上轴承盖 Upper bearing cover 关节轴承 GE80ES Joint bearing 上轴承座 Upper bearing seat 下铰接轴 Lower hinge shaft 骨架防尘圈 FB90×100×7 Dust ring |
11 5 5 2 4 1 4 8 4 1 16 48 24 48 1 1 1 1 8 2 24 24 2 1 2 1 1 2 |
