SINOMACH CHANGLIN 956 wheel loader parts catalog 05
956.2.5B(4) 液力变矩器(四) Torque Converter(4)
956.2.5B(5) 液力变矩器(五) Torque Converter(5)

956.2.5B(4)
液力变矩器(四) Torque Converter(4)
956.2.5B(5)
液力变矩器(五) Torque Converter(5)
|
序号 No. |
零 件 代 号 Part No. |
版本 Ver. |
名 称 Part Name |
数量 Q’ty |
适用车号 Suit Num. |
选装 Cho |
|
|
1 |
B-G057860-00004 |
1 |
螺钉 M10×1×32 |
Screw |
2 |
||
|
2 |
B-G000930-00001 |
1 |
垫圈 10 |
Spring washer |
2 |
||
|
3 |
B-G00893A-00016 |
1 |
挡圈 80(工作泵) |
Snap ring |
1 |
||
|
B-G00893A-00013 |
1 |
挡圈 72 (转向泵) |
Snap ring |
1 |
|||
|
4 |
B-G002760-00016 |
1 |
轴承 6208(工作泵) |
Bearing |
1 |
||
|
B-G002760-00015 |
1 |
轴承 6207(转向泵) |
Bearing |
1 |
|||
|
5 |
Z50B.2.1-28 |
1 |
芯轴(工作泵) |
Shaft |
1 |
||
|
Z50B.2.1-4 |
1 |
芯轴(转向泵) |
Shaft |
1 |
|||
|
6 |
Z50B.2.1-27L |
1 |
齿轮(工作泵) |
Gear |
1 |
||
|
Z30.2.3-43L |
1 |
齿轮(转向泵) |
Gear |
1 |
|||
|
7 |
956.2.5-3A |
1 |
联接套(工作泵) |
Connect sleeve |
1 |
||
|
956.2.5-4A |
1 |
联接套(转向泵) |
Connect sleeve |
1 |
|||
|
8 |
B-G00893A-00015 |
1 |
挡圈78(工作泵) |
Snap ring |
1 |
||
|
B-G00893A-00012 |
1 |
挡圈70(转向泵) |
Snap ring |
1 |
|||
|
9 |
B-G09877A-00027 |
1 |
油封 FB55×85×12(工作泵) |
Oil seal |
1 |
||
|
B-G09877A-00023 |
1 |
油封 FB50×80×12(转向泵) |
Oil seal |
1 |
|||
|
1 |
|||||||
|
12 |
936.2.2-5 |
1 |
垫 |
Pad |
2 |
||
|
14 |
B-G061700-00004 |
1 |
螺母 M12 |
Nut |
8 |
||
|
15 |
B-G000930-00003 |
1 |
垫圈 12 |
Spring washer |
8 |
||
|
16 |
B-G009010-00008 |
1 |
双头螺柱 M12×55(转向泵) |
Stud bolt |
8 |
||
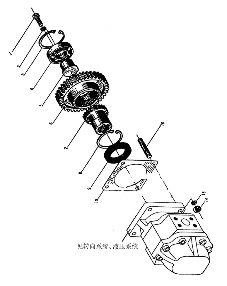
956.2.5B(6) 液力变矩器(六) Torque Converter(6)

956.2.5B(6)
液力变矩器(六) Torque Converter(6)
|
序号 No. |
零 件 代 号 Part No. |
版本 Ver. |
名 称 Part Name |
数量 Q’ty |
适用车号 Suit Num. |
选装 Cho |
|
|
1 |
B-G057860-00004 |
1 |
螺钉 M10×1×32 |
Screw |
1 |
9560007- |
|
|
2 |
B-G000930-00001 |
1 |
垫圈 10 |
Spring washer |
1 |
9560007- |
|
|
3 |
B-G00893A-00013 |
1 |
挡圈 72 |
Snap ring |
1 |
9560007- |
|
|
4 |
B-G002760-00015 |
1 |
轴承 6207 |
Bearing |
1 |
9560007- |
|
|
5 |
Z50B.2.1-4 |
1 |
芯轴 |
Shaft |
1 |
9560007- |
|
|
6 |
Z30.2.3-43L |
1 |
齿轮 |
Gear |
1 |
9560007- |
|
|
7 |
956.2.5-2 |
1 |
联接套 |
Connecting sleeve |
1 |
9560007- |
|
|
8 |
B-G00893A-00012 |
1 |
挡圈 70 |
Snap ring |
1 |
9560007- |
|
|
9 |
B-G09877A-00023 |
1 |
油封 FB50×80×12 |
Oil seal |
1 |
9560007- |
|
|
10 |
936.2.2-4 |
1 |
垫 |
Pad |
1 |
9560007- |
|
|
11 |
W-01-00141 |
1 |
油泵(左旋)CBGj1045(SAE) |
Pump |
1 |
9560007- |
|
|
12 |
B-G009010-00005 |
1 |
双头螺栓 M14×55 |
Stud bolt |
2 |
9560007- |
|
|
Z30.2D.1-21 |
1 |
螺母 |
Nut |
2 |
9560007- |
||
|
13 |
B-G000930-00005 |
1 |
垫圈 14 |
Spring washer |
2 |
9560007- |
|
Z50E.2.3 精滤清器 Fine Filter

Z50E.2.3 精滤清器 Fine Filter
|
序号 No. |
零 Part No. |
版本 Ver. |
名 Part Name |
数量 Q’ty |
适用车号 Suit Num. |
选装 Cho |
|
|
1 |
Z30.2.8-7 |
1 |
阀盖 |
Valve cover |
1 |
9560007- |
|
|
2 |
B-J010020-00010 |
1 |
垫圈 30 |
Washer |
1 |
9560007- |
|
|
3 |
Z30.2.8-6 |
1 |
弹簧 |
Spring |
1 |
9560007- |
|
|
4 |
Z30.2.8-5 |
1 |
阀芯 |
Valve core |
1 |
9560007- |
|
|
5 |
Z50E.2.3-1 |
1 |
精滤器上盖 |
Upper cover |
1 |
9560007- |
|
|
6 |
Z30.2.8-3 |
1 |
胶垫 |
Rubber pad |
1 |
9560007- |
|
|
7 |
W-15-00057 |
1 |
线隙式滤油器 |
Filter |
1 |
9560007- |
|
|
8 |
Z30.2.8-2 |
1 |
座 |
Seat |
1 |
9560007- |
|
|
9 |
Z30.2.8-1 |
1 |
弹簧 |
Spring |
1 |
9560007- |
|
|
10 |
B-Q020710-00111 |
1 |
O形密封圈 105×5.7 |
O-ring |
1 |
9560007- |
|
|
11 |
Z30.2.8-4 |
1 |
螺母 |
Nut |
1 |
9560007- |
|
|
12 |
Z30.2.8.1 |
1 |
精滤清器 |
Filter body |
1 |
9560007- |
|
|
13 |
B-J010020-00013 |
1 |
垫圈 8 |
Washer |
1 |
9560007- |
|
|
14 |
B-J010000-00013 |
1 |
螺塞 M8×1 |
Plug |
1 |
9560007- |
|
Z50B.3 主传动轴 Main Drive Shaft

