SINOMACH CHANGLIN 958 wheel loader parts catalog 12
958.16(3) 驾驶室(三) Cab(3)
958.16 驾驶室(三) Cab(3)
|
序号 No. |
零 Part No. |
版本 Ver. |
名 Part Name |
数量 Q’ty |
适用车号 Suit Num. |
选装 Cho |
|
|
1 |
Z40H.16A.20 |
1 |
右立柱饰板 |
Plaque, right pole |
1 |
9580005- |
|
|
2 |
Z40H.16A.25 |
1 |
右后饰板 |
Plaque, right |
1 |
9580005- |
|
|
3 |
W-09-00118 |
1 |
止回摇臂帘JL-03ZB |
Curtain |
1 |
9580005- |
|
|
4 |
B-G000930-00015 |
1 |
垫圈6 |
Washer |
5 |
9580005- |
|
|
5 |
B-G008180-00029 |
1 |
螺钉M6×20ZnD |
Screw |
5 |
9580005- |
|
|
6 |
Z40H.16A.21 |
1 |
顶饰板 |
Plaque, top |
1 |
9580005- |
|
|
7 |
W-09-00110 |
1 |
室内反光镜YZC12-A |
Viewfinder |
1 |
9580005- |
|
|
8 |
958.16.2 |
1 |
先导阀罩 |
Precursor cover |
1 |
9580005- |
|
|
9 |
958.16.4 |
1 |
后饰板 |
Plaque, rear |
1 |
9580005- |
|
|
10 |
Z30.16.4E.18 |
1 |
袋 |
Bag |
1 |
9580005- |
|
|
11 |
B-G000930-00013 |
1 |
垫圈4 |
Washer |
3 |
9580005- |
|
|
12 |
B-G008180-00008 |
1 |
螺钉M4×16ZnD |
Screw |
3 |
9580005- |
|
|
13 |
Z40H.16A.12 |
1 |
台面板组件 |
Instrument plate |
1 |
9580005- |
|
|
14 |
958.16.6 |
1 |
底板垫 |
Carpet |
1 |
9580005- |
|
|
15 |
Z40H.16A.19 |
1 |
左立柱饰板 |
Plaque, left pole |
1 |
9580005- |
|
|
16 |
W-12-00021 |
1 |
干粉灭器MFZL2 |
Fire extinguisher |
1 |
9580005- |
|
|
17 |
B-G00097B-00021 |
1 |
垫圈6ZnD |
Washer |
2 |
9580005- |
|
|
18 |
B-G008180-00027 |
1 |
螺钉M6×12ZnD |
Screw |
2 |
9580005- |
|
|
19 |
Z40H.16A.24 |
1 |
左后饰板 |
Plaque, left |
1 |
9580005- |
|
|
20 |
Z40E.16F.6 |
1 |
塑扣 |
Button |
36 |
9580005- |
|
958.17 车身及附件 Vehicle Body and Accessory

958.17 车身及附件 Vehicle Body and Accessory
|
序号 No. |
零 Part No. |
版本 Ver. |
名 Part Name |
数量 Q’ty |
适用车号 Suit Num. |
选装 Cho |
|
|
1 |
958.17.2 |
1 |
左踏脚板 |
Left pedal |
1 |
9580008- |
|
|
2 |
B-Q020490-00003 |
1 |
垫圈12 |
Washer |
58 |
9580008- |
|
|
3 |
B-G000930-00003 |
1 |
垫圈12 |
Washer |
42 |
9580008- |
|
|
4 |
B-G057830-00034 |
1 |
螺栓M12×30ZnD |
Bolt |
16 |
9580008- |
|
|
5 |
958.17.13 |
1 |
后左扶手 |
Left back handrail |
1 |
9580008- |
|
|
6 |
B-G057830-00037 |
1 |
螺栓M12×35ZnD |
Bolt |
10 |
9580008- |
|
|
7 |
958.17.1.3 |
1 |
左侧板 |
Left side plank |
1 |
9580008- |
|
|
8 |
B-Q020490-00001 |
1 |
垫圈10 |
Washer |
48 |
9580008- |
|
|
9 |
B-G057830-00010 |
1 |
螺栓M10×30ZnD |
Bolt |
50 |
9580008- |
|
|
10 |
958.17.17 |
1 |
左前大灯支架 |
L frontlamp supporting |
1 |
9580008- |
|
|
11 |
B-G00097B-00002 |
1 |
垫圈10ZnD |
Washer |
30 |
9580008- |
|
|
12 |
B-G000930-00001 |
1 |
垫圈10 |
Washer |
30 |
9580008- |
|
|
13 |
968.17.11 |
1 |
左反光镜支架 |
L reflector supporting |
1 |
9580008- |
|
|
14 |
B-G057830-00139 |
1 |
螺栓M8×20ZnD |
Bolt |
24 |
9580008- |
|
|
15 |
B-G00097B-00023 |
1 |
垫圈8ZnD |
Washer |
24 |
9580008- |
|
|
16 |
B-G000930-00017 |
1 |
垫圈8 |
Washer |
24 |
9580008- |
|
|
17 |
958.17.1.1 |
1 |
前罩 |
Front cover |
1 |
9580008- |
|
|
18 |
958.17.1.5 |
1 |
左前门 |
Left front door |
1 |
9580008- |
|
|
19 |
958.17.1.6 |
1 |
右前门 |
Right front door |
1 |
9580008- |
|
|
20 |
958.17.1.7 |
1 |
左后门 |
Left back door |
1 |
9580008- |
|
|
21 |
958.17.1.8 |
1 |
右后门 |
Right back door |
1 |
9580008- |
|
|
22 |
958.17.1.2 |
1 |
钢架 |
Steel frame |
1 |
9580008- |
|
|
23 |
958.17.6 |
1 |
后左挡泥板 |
Left back dishboard |
1 |
9580008- |
|
|
24 |
B-G057830-00030 |
1 |
螺栓M12×25ZnD |
Bolt |
8 |
9580008- |
|
|
25 |
958.17.1.11 |
1 |
后钢架 |
Back steel frame |
1 |
9580008- |
|
|
26 |
958.17.1.10 |
1 |
车头 |
Back hood |
1 |
9580008- |
|
|
27 |
958.17.1.12 |
1 |
格栅 |
Grill |
1 |
9580008- |
|
|
28 |
B-G057830-00001 |
1 |
螺栓M10×16ZnD |
Bolt |
4 |
9580008- |
|
|
29 |
958.17.7 |
1 |
后右挡泥板 |
Right back dishboard |
1 |
9580008- |
|
|
30 |
958.17.1.9 |
1 |
顶板 |
Top plank |
1 |
9580008- |
|
|
31 |
968.17.12 |
1 |
右反光镜支架 |
R reflector supporting |
1 |
9580008- |
|
|
32 |
958.17.17 |
1 |
右前大灯支架 |
R frontlamp supporting |
1 |
9580008- |
|
|
33 |
958.17.1.4 |
1 |
右侧板 |
Left side plank |
1 |
9580008- |
|
|
34 |
958.17.14 |
1 |
后右扶手 |
Right back handrail |
1 |
9580008- |
|
|
35 |
958.17.3 |
1 |
右踏脚板 |
Right pedal |
1 |
9580008- |
|
|
36 |
958.17.4 |
1 |
前右挡泥板 |
R front dishboard |
1 |
9580008- |
|
|
37 |
B-G057830-00016 |
1 |
螺栓M10×45ZnD |
Bolt |
6 |
9580008- |
|
|
38 |
958.17.5 |
1 |
前左挡泥板 |
L front dishboard |
1 |
9580008- |
|
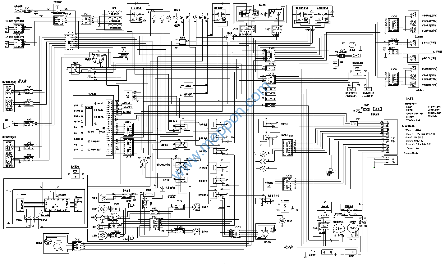
958.18 电气系统 Electrical System

958.18 电气系统 Electrical System
|
序号 No. |
零 Part No. |
版本 Ver. |
名 Part Name |
数量 Q’ty |
适用车号 Suit Num. |
选装 Cho |
|
|
1 |
W-11-00005 |
1 |
电子接近开关|J7-D10C1/1A |
Proximity switches |
2 |
9580005- |
|
|
2 |
W-06-00053 |
1 |
喇叭|DL229G |
Horn |
1 |
9580005- |
|
|
3 |
W-05-00073 |
1 |
左前大灯|05.483.000.04 |
Left headlamps |
1 |
9580005- |
|
|
4 |
W-09-00117 |
1 |
雨刷器|ZD2330C/Z40H |
Wiper |
1 |
9580005- |
|
|
5 |
W-06-00279 |
1 |
插头|25.042.200 |
Plug |
2 |
9580005- |
|
|
6 |
W-06-00278 |
1 |
插座|25.019.100 |
Outlet |
2 |
9580005- |
|
|
7 |
W-05-00063 |
1 |
指示灯|AD17-16/DC24VR |
Indicator |
1 |
9580005- |
|
|
8 |
W-05-00064 |
1 |
指示灯|AD17-16/DC24VY |
Indicator |
1 |
9580005- |
|
|
9 |
W-05-00065 |
1 |
指示灯|AD17-16/DC24VG |
Indicator |
1 |
9580005- |
|
|
10 |
W-11-00108 |
1 |
开关组件|JK931/958(7) |
Switch components |
1 |
9580005- |
|
|
前照灯开关 |
Headlight switch |
1 |
9580005- |
||||
|
后照灯开关 |
After the lights switch |
1 |
9580005- |
||||
|
工作灯开关 |
Work Lights Switch |
1 |
9580005- |
||||
|
仪表灯开关 |
Instrument lights switch |
1 |
9580005- |
||||
|
警示灯开关 |
Warning Lights Switch |
1 |
9580005- |
||||
|
档位切断开关 |
Stall cut off switch |
1 |
9580005- |
||||
|
消音开关 |
Silencer switch |
1 |
9580005- |
||||
|
11 |
W-11-00104 |
1 |
电源开关|K01K18-A |
Power Switch |
1 |
9580005- |
|
|
12 |
W-06-00190 |
1 |
蓄电池|195H52 |
Battery |
2 |
9580005- |
|
|
13 |
W-05-00076 |
1 |
左尾灯|02.1065.0000.04 |
Left taillights |
1 |
9580005- |
|
|
14 |
W-05-00078 |
1 |
牌照灯|02.212.000.04 |
HEC licence |
1 |
9580005- |
|
|
15 |
W-06-00275 |
1 |
蜂鸣器|380 |
Buzzer |
1 |
9580005- |
|
|
16 |
W-05-00077 |
1 |
右尾灯|02.1064.0000.04 |
Right taillights |
1 |
9580005- |
|
|
17 |
W-06-00274 |
1 |
保险丝盒|BX2022/30A |
Fuse box |
1 |
9580005- |
|
|
18 |
W-06-00249 |
1 |
保险盒|FMG-1-1-1 |
Fuse box |
1 |
9580005- |
|
|
19 |
W-06-00246 |
1 |
保险片|BK/AWG-125 |
Fuse |
1 |
9580005- |
|
|
20 |
W-06-00267 |
1 |
继电器|MZJ200A/006 |
Relay |
4 |
9580005- |
|
|
21 |
W-06-00222 |
1 |
带保护套接头|DTP06-4S |
Joints |
1 |
9580005- |
|
|
22 |
W-06-00223 |
1 |
插针|1062-12-0166 |
PIN |
4 |
9580005- |
|
|
23 |
W-06-00226 |
1 |
锁片|WP4S |
Locking pieces |
1 |
9580005- |
|
|
24 |
W-06-00230 |
1 |
接头|DRC26-50S-04 |
Joints |
1 |
9580005- |
|
|
25 |
W-06-00225 |
1 |
插针|1062-20-0144 |
PIN |
50 |
9580005- |
|
|
26 |
W-06-00231 |
1 |
后保护盖|0528-001-5005 |
After the protective cover |
1 |
9580005- |
|
|
27 |
W-06-00232 |
1 |
堵塞|0413-204-2005 |
Plug |
50 |
9580005- |
|
|
28 |
W-11-00066 |
1 |
按钮开关|LA42MSD-11/DC24VR |
Button switch |
2 |
9580005- |
|
|
29 |
W-06-00179 |
1 |
端子|BX2091C |
Terminal |
18 |
9580005- |
|
|
30 |
W-06-00178 |
1 |
保险丝盒|BX2091-1 |
Fuse box |
1 |
9580005- |
|
|
31 |
W-06-00181 |
1 |
保险片|BX2011C-20A |
Fuse |
7 |
9580005- |
|
|
32 |
W-06-00180 |
1 |
保险片|BX2011C-30A |
Fuse |
1 |
9580005- |
|
|
33 |
W-06-00250 |
1 |
保险片|BX2011C-5A |
Fuse |
2 |
9580005- |
|
|
34 |
W-06-00034 |
1 |
二极管|1N4007 |
Diodes |
8 |
9580005- |
|
|
35 |
W-06-00061 |
1 |
闪光器|JSG252C |
Astigmatism – |
2 |
9580005- |
|
|
36 |
W-06-00047 |
1 |
继电器|JD2914J |
Relay |
6 |
9580005- |
|
|
37 |
W-06-00268 |
1 |
保险丝盒|BX2022/50A |
Fuse box |
1 |
9580005- |
|
|
38 |
W-06-00233 |
1 |
油门踏板总成|350827 |
Pedal assembly |
1 |
9580005- |
|
|
39 |
W-06-00234 |
1 |
油门线束连接线|131773-1 |
Harness throttle cable |
1 |
9580005- |
|
|
40 |
W-05-00074 |
1 |
右前大灯|05.479.000.04 |
Right anterior headlamps |
1 |
9580005- |
|
