SINOMACH CHANGLIN YZK12HD road roller parts catalog 06
YZ14HD.11 停车制动系统(二)Parking Brake System(2)
|
序号 Index |
零件代号 Part No. |
名 称 Description |
数量 Q’ty |
|
|
1 |
B-G057820-00056 |
螺栓M14x35-10.9ZnD |
Bolt |
3 |
|
2 |
B-Q020490-00005 |
垫圈14 |
Washer |
8 |
|
3 |
YZ14HD.11-1 |
板 |
Board |
1 |
|
4 |
B-G057820-00060 |
螺栓M14x40ZnD |
Bolt |
5 |
|
5 |
Z30.11B.2-9 |
拉杆螺栓 |
Bolt |
1 |
|
6 |
Z30.11B.2-1 |
副夹钳 |
Auxiliary clamp |
1 |
|
7 |
Z30.11B.2.1 |
副摩擦块 |
Second friction block |
1 |
|
8 |
Z30.11B.2.2 |
主摩擦块 |
Main friction block |
1 |
|
9 |
Z30.11B.2-6 |
弹簧拉销 |
Spring pin |
1 |
|
10 |
Z30.11B.2-2 |
主夹钳 |
Mail clamp |
1 |
|
11 |
Z30.11B.2-10 |
支座 |
Support seat |
1 |
|
12 |
Z30.11B.2.3 |
制动曲柄 |
Brake handle |
1 |
|
13 |
B-G061700-00032 |
螺母M5ZnD |
Nut |
2 |
|
14 |
B-G00861A-00001 |
垫圈5 |
Washer |
1 |
|
15 |
Z30.11B.2-6 |
销轴 |
Pin shift |
1 |
|
16 |
B-G001190-00013 |
销 |
Pin |
1 |
|
17 |
B-G000910-00003 |
销1.6x10ZnD |
Pin |
1 |
|
18 |
Z30.11B.2-5 |
拉簧 |
Spring |
1 |
|
19 |
Z30.11B-3 |
支架 |
Support |
1 |
|
20 |
Z30.11B.2-3 |
复位弹簧 |
Retraction spring |
1 |
|
21 |
Z30.11B.2-7 |
止动垫 |
Check spacer |
1 |
|
22 |
Z30.11B-5A |
调整垫片 |
Washer |
1 |
|
23 |
Z30.11B-5 |
调整垫片 |
Washer |
3 |
|
24 |
Z30.11B-5B |
调整垫片 |
Washer |
1 |
YZ12HD.12 车架总成(一) Frame Ass’y(1)

YZK12HD.12 车架总成(一) Frame Ass’y(1)
|
序号 Index |
零件代号 Part No. |
名 称 Description |
数量 Q’ty |
|
|
1 |
YZ12HD.12.1.1 |
前横梁 |
Front transom |
1 |
|
2 |
YZ12HD.12.1-4 |
调整垫片 |
Adjusting strip |
2 |
|
YZ12HD.12.1-5 |
2 |
|||
|
YZ12HD.12.1-6 |
2 |
|||
|
YZ12HD.12.1-7 |
8 |
|||
|
3 |
B-G057820-00122 |
螺栓M20×75-10.9ZnD |
Bolt |
4 |
|
4 |
B-G000930-00083 |
垫圈 20 |
Washer |
4 |
|
5 |
B-G00097B-00010 |
垫圈20ZnD |
Washer |
4 |
|
6 |
B-G057830-00139 |
螺栓M8×20ZnD |
Bolt |
6 |
|
7 |
B-G000930-00017 |
垫圈 8 |
Washer |
6 |
|
8 |
B-G00097B-00023 |
垫圈8ZnD |
Washer |
6 |
|
9 |
YZ12HD.12.1-1 |
板 |
Plate |
2 |
|
10 |
YZ12HD.12.1.2 |
框架 |
Frame |
1 |
|
11 |
B-G057830-00037 |
螺栓M12×35ZnD |
Bolt |
64 |
|
12 |
B-Q020490-00003 |
垫圈12 |
Washer |
64 |
|
13 |
YZ12HD.12.1.4 |
弯板 |
Plate |
8 |
|
14 |
YZK12HD.12.1-2 |
板 |
Plate |
2 |
|
15 |
W-03-00062 |
轴承GAC85S/K |
Bearing |
4 |
|
16 |
3Y25.12.1-2 |
V形圈 |
V-ring |
4 |
|
17 |
YZ14HD.12.1.3 |
铰接架 |
Articulated Frame |
1 |
|
18 |
YZK12HD.12.1-1 |
板 |
Plate |
2 |
|
19 |
YZ14HD.12.1-7 |
压盖 |
Cover |
2 |
|
20 |
B-G00097B-00008 |
垫圈16ZnD |
Washer |
12 |
|
21 |
B-G000930-00006 |
垫圈 16 |
Washer |
12 |
|
22 |
B-G057830-00076 |
螺栓M16×45ZnD |
Bolt |
12 |
|
23 |
3Y25.12.1-4 |
铰接轴盖 |
Articulated Cover |
1 |
|
24 |
B-J07940A-00001 |
油杯M10×1 |
Grease cup |
4 |
|
25 |
B-G057830-00028 |
螺栓M12×20ZnD |
Bolt |
3 |
YZK12HD.12 车架总成(一) Frame Ass’y(1)
|
序号 Index |
零件代号 Part No. |
名 称 Description |
数量 Q’ty |
|
|
26 |
B-G0578230-0130 |
螺栓M24×120ZnD |
Bolt |
10 |
|
27 |
B-G000930-00014 |
垫圈 24 |
Washer |
10 |
|
28 |
B-G00097B-00010 |
垫圈24ZnD |
Washer |
10 |
|
29 |
YZ18J.12G.1-3 |
调整垫 |
Adjusting strip |
4 |
|
YZ18J.12G.1-4 |
4 |
|||
|
YZ18J.12G.1-5 |
2 |
|||
|
30 |
YZ16.12A.1-8 |
调整垫 |
Adjusting strip |
2 |
|
YZ16.12A.1-9 |
4 |
|||
|
YZ16.12A.1-10 |
6 |
|||
|
31 |
YZ12HD.12.1.3 |
弯板 |
Plate |
8 |
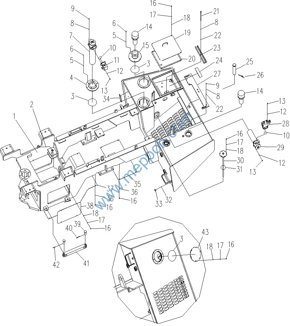
YZ14HD.12 车架总成(二) Frame Ass’y(2)

YZ14HD.12 车架总成(二) Frame Ass’y(2)
|
序号 Index |
零件代号 Part No. |
名 称 Description |
数量 Q’ty |
|
|
1 |
YZ14HD.12.2.1 |
后车架体 |
Rear frame |
1 |
|
2 |
YZ12.12.2.4 |
铰接黄油润滑系统 |
Lubricating equipment |
2 |
|
3 |
B-Q020710-00030 |
O形圈200×5.7 |
O-shaped ring |
3 |
|
4 |
YZ14HD.12.2-1 |
回油法兰 |
Flange |
1 |
|
5 |
B-G000930-00015 |
垫圈6 |
Washer |
12 |
|
6 |
B-G057830-00131 |
螺栓M6x20ZnD |
Bolt |
12 |
|
7 |
W-15-00325 |
回油过滤器RFA-250x10F-Y |
Return filter |
1 |
|
8 |
B-G000930-00003 |
垫圈12 |
Washer |
9 |
|
9 |
B-G057830-00031 |
螺栓M12x28ZnD |
Bolt |
8 |
|
10 |
B-Q020710-00085 |
O形圈65×3.1 |
O-shaped ring |
2 |
|
11 |
YZ14HD.12.2.2 |
回油三通 |
Return wye |
1 |
|
12 |
B-G000930-00001 |
垫圈10 |
Washer |
12 |
|
13 |
B-G057830-00006 |
螺栓M10x25ZnD |
Bolt |
12 |
|
14 |
W-15-00086 |
液压空气滤清器QUQ2.5-20×2 |
Breather filter |
2 |
|
15 |
YZ14HD.12.2-2 |
空滤法兰 |
Flange |
1 |
|
16 |
B-G057830-00143 |
螺栓M8x25ZnD |
Bolt |
36 |
|
17 |
B-G000930-00017 |
垫圈8 |
Washer |
26 |
|
18 |
B-G00097B-00004 |
垫圈8ZnD |
Washer |
26 |
|
19 |
YZ14HD.12.2.4 |
电瓶箱盖板 |
Cover board |
1 |
|
20 |
YZ14HD.12.2-3 |
橡胶垫 |
Rubber mat |
1 |
|
21 |
YZ18J.1E.1-2 |
螺杆 |
Screw |
1 |
|
22 |
B-G00097B-00004 |
垫圈12ZnD |
Washer |
5 |
|
23 |
YZ18J.1E.1-1 |
支座 |
Channel bar |
1 |
|
24 |
Z50E.12F.5-4 |
橡胶垫 |
Rubber mat |
2 |
|
25 |
YZ14HD.12.2-4 |
牵引销 |
Dragging pin |
1 |
|
26 |
Z50B.12.17 |
保险销 |
Spur guard |
1 |
|
27 |
YZ14HD.12.2-6 |
板 |
Plate |
1 |
|
28 |
YZ14HD.12.2.3 |
吸油三通 |
Suction wye |
1 |
