SINOMACH CHANGLIN 936X wheel loader parts catalog 19
制动系统(I) Brake System(I)
|
序号 No. |
零 件 代 号 Part No. |
版本 Ver. |
名 称 Part Name |
数量 Q’ty |
适用车号 Suit Num. |
选装 Cho |
|
|
1 |
B-J010020-00007 |
1 |
垫圈22 |
Washer |
8 |
00005- |
|
|
2 |
Z30E.9S-2 |
1 |
接头 |
Joint |
5 |
00005- |
|
|
3 |
B-Q020710-00018 |
1 |
0形圈14×2.4 |
O-ring |
8 |
00005- |
|
|
4 |
T-TB-18 |
1 |
标牌 |
Brand |
1 |
00005- |
|
|
5 |
W-18-00076 |
1 |
手动放水阀|JK99-2215B |
Drain valve |
1 |
00005- |
|
|
6 |
W-18-00085 |
1 |
安全阀|JK99-340201 |
Safety valve |
1 |
00005- |
|
|
7 |
Z40E.9.5 Z40E.9B.9 |
1 |
支架 |
Support |
1 1 |
00005- |
|
|
8 |
B-G00097B-00004 |
1 |
垫圈12ZnD |
Washer |
8 |
00005- |
|
|
9 |
B-G000930-00003 |
1 |
垫圈12 |
Washer |
8 |
00005- |
|
|
10 |
B-G057830-00030 |
1 |
螺栓M12x25ZnD |
Bolt |
8 |
00005- |
|
|
11 |
936.9-6A |
1 |
空压机出气管固定支架 |
Support |
1 |
00005- |
|
|
12 |
955.9-3 |
1 |
夹板 |
Clamp |
1 |
00005- |
|
|
13 |
B-G00097B-00023 |
1 |
垫圈8ZnD |
Washer |
4 |
00005- |
|
|
14 |
B-G057830-00139 |
1 |
螺栓M8x20ZnD |
Bolt |
4 |
00005- |
|
|
15 |
W-18-00080(道依茨) W-18-00103(玉柴) |
1 |
冷凝管|JK99-700801(L=1200) 冷凝管|JK99-701501A-1500 |
Cooling tube |
1 |
00005- |
|
|
16 |
936.9-4A(道依茨) 936.9A-1(玉柴) |
1 |
油水分离器联接板 |
Support |
1 |
00005- |
|
|
17 |
W-18-00023 |
1 |
油水分离器|SH380A-3511002A |
Oil-water separator |
1 |
00005- |
|
|
18 |
B-G000930-00017 |
1 |
垫圈8 |
Washer |
6 |
00005- |
|
|
19 |
Z30E.11-8 |
1 |
紫铜垫 |
Washer |
2 |
00005- |
|
|
20 |
W-13-00088 |
1 |
气管DH/G90×18×1.5(L=600) |
Pipe |
1 |
00005- |
|
|
21 |
W-13-00118 |
1 |
气管DH/G90×18×1.5(L=3150) |
Pipe |
1 |
00005- |
|
|
22 |
W-13-00110 |
1 |
气管DH/G90×18×1.5(L=1250) |
Pipe |
1 |
00005- |
|
|
23 |
YZ16.9C-2 |
1 |
接头 |
Joint |
4 |
00005- |
|
|
24 |
YZ16.9C-1 |
1 |
铰接螺栓 |
Bolt |
1 |
00005- |
|
|
25 |
W-18-00014 |
1 |
气制动阀|XM60C-3514002 |
Pedal valve |
1 |
00005- |
|
|
26 |
B-G057830-00146 |
1 |
螺栓M8x30ZnD |
Bolt |
4 |
00005- |
|
|
27 |
B-G061700-00036 |
1 |
螺母M8ZnD |
Nut |
4 |
00005- |
|
|
28 |
W-13-00090 |
1 |
气管DH/G90×18×1.5(L=1800) |
Pipe |
1 |
00005- |
|
|
29 |
955L.9-5 |
1 |
单偏式包胶卡箍17 |
Clamp |
1 |
00005- |
|
|
30 |
B-G00097B-00002 |
1 |
垫圈10ZnD |
Washer |
2 |
00005- |
|
|
31 |
B-G057830-00001 |
1 |
螺栓M10x16ZnD |
Bolt |
2 |
00005- |
|
|
32 |
936.9.6B |
1 |
储气筒总成 |
Air tank |
1 |
00005- |
|
|
|
|||||||
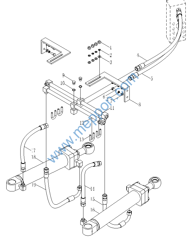
制动系统(II) Brake System(II)

制动系统(II) Brake System(II)
|
序号 No. |
零 件 代 号 Part No. |
版本 Ver. |
名 称 Part Name |
数量 Q’ty |
适用车号 Suit Num. |
选装 Cho |
|
|
1 |
B-J010020-00002 |
1 |
垫圈12 |
Washer |
11 |
00005- |
|
|
2 |
956.9-2 |
1 |
接头 |
Joint |
1 |
00005- |
|
|
3 |
W-18-00136 |
1 |
加力器总成|SL20A-3510002 |
Booster ass’y |
2 |
00005- |
|
|
4 |
B-J010020-00007 |
1 |
垫圈22 |
Washer |
3 |
00005- |
|
|
5 |
Z30E.9S-2 |
1 |
接头 |
Joint |
2 |
00005- |
|
|
6 |
B-Q020710-00018 |
1 |
0形圈14×2.4 |
O-ring |
2 |
00005- |
|
|
7 |
W-13-00086(道依茨) W-13-00129(玉柴) |
1 |
气管DH/G90×18×1.5(L=1400) 气管DH/G90×18×1.5(L=1800) |
Pipe |
1 |
00005- |
|
|
8 |
936.9.8 |
1 |
软管总成 |
Oil pipe |
2 |
00005- |
|
|
9 |
B-G057830-00006 |
1 |
螺栓M10×25ZnD |
Bolt |
2 |
00005- |
|
|
10 |
B-G000930-00001 |
1 |
垫圈10 |
Washer |
4 |
00005- |
|
|
11 |
B-G00097B-00002 |
1 |
垫圈10ZnD |
Washer |
2 |
00005- |
|
|
12 |
B-G057830-00037 |
1 |
螺栓M12×35ZnD |
Bolt |
2 |
00005- |
|
|
13 |
B-G000930-00003 |
1 |
垫圈12 |
Washer |
4 |
00005- |
|
|
14 |
B-G00097B-00004 |
1 |
垫圈12ZnD |
Washer |
4 |
00005- |
|
|
15 |
B-G061700-00007 |
1 |
螺母M12ZnD |
Nut |
2 |
00005- |
|
|
16 |
936.9-5A |
1 |
后加力泵支架 |
Support |
1 |
00005- |
|
|
17 |
936.9.3A |
1 |
后制动管路 |
Back brake pipe |
1 |
00005- |
|
|
18 |
Z50B.9.2A-1 |
1 |
压板 |
Clamp |
2 |
00005- |
|
|
19 |
B-G057830-00001 |
1 |
螺栓M10x16ZnD |
Bolt |
2 |
00005- |
|
|
20 |
Z30.9.1-1 |
1 |
螺栓M12x1.25×32 |
Bolt |
5 |
00005- |
|
|
21 |
936.9-1 |
1 |
接头 |
Joint |
2 |
00005- |
|
|
22 |
W-11-00046 |
1 |
制动灯开关|JN150 |
Brake lamp switch |
1 |
00005- |
|
|
23 |
936.9.5A |
1 |
接头体 |
Joint |
1 |
00005- |
|
|
24 |
Z30.9.6.2 |
1 |
四通至档位阀管道 |
Pipe |
1 |
00005- |
|
|
25 |
B-Q020710-00006 |
1 |
O形圈11×1.9 |
O-ring |
2 |
00005- |
|
|
26 |
B-G057830-00028 |
1 |
螺栓M12x20ZnD |
Bolt |
2 |
00005- |
|
|
27 |
936.9.1 |
1 |
前制动油管 |
Front brake pipe |
1 |
00005- |
|
|
28 |
936.9.8(道依茨) 936.9A.4(玉柴) |
1 |
软管总成 |
Oil pipe |
1 |
00005- |
|
十、转向系统
Steering System
转向系统(I)Steering System(I)

