XCMG ZL50GN WHEEL LOADER PARTS MANUAL 29
|
860523212 FILTER PART 800152539 ENGINE |
|
No. PART NUMBER QTY NAME NOTE PAGE |
|
1 860122893 1 AIR CLEANER ASSY |
|
2 800105059 1 FILTER PART |
|
3 800105058 1 FILTER PART |
|
4 800150409 1 INDICATOR |
|
860523213 PIPE PART 800152539 ENGINE |
|
No. PART NUMBER QTY NAME NOTE PAGE |
|
1 860154762 1 WATER PUMP SHIM |
|
2 860137559 3 SLEEVE,SCREW,&NUT SUB-ASSY METRIC |
|
3 860137657 2 WIRING HARNESS BRACKET |
|
4 860112796 1 AIR PRESSURE PUMP COMPONENTS |
|
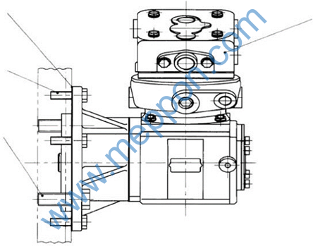
860523214 COMPRESSOR PART |
|
7 8 9
12 11 10 |
|
860523214 COMPRESSOR PART 800152539 ENGINE |
|
No. PART NUMBER QTY NAME NOTE PAGE |
|
1 860137411 2 ELBOW CONNECTOR |
|
2 860523045 1 OUTLET PIPE PARTS |
|
3 860137404 1 ELBOW CONNECTOR |
|
4 860137403 1 STRAIGHT JOINT |
|
5 860137406 1 INLET PIPE PARTS |
|
6 860134854 1 INLET PIPE PARTS |
|
7 860137407 1 STRAIGHT JOINT |
|
8 860137658 1 BENDING CONNECTOR |
|
9 860137661 1 THREAD JOINT |
|
10 860137659 1 SOFT PIPE |
|
11 860137660 1 BENDING CONNECTOR |
|
12 860137405 1 ELBOW CONNECTOR |
|
860523215 DUST EJECT TUBE 800152539 ENGINE |
|
No. PART NUMBER QTY NAME NOTE PAGE |
|
1 860137446 1 WELDING PART |
|
2 860523217 2 SCREW |
|
3 860168254 1 SPACER |
|
4 860137444 1 STEEL PIPE |
|
5 860137447 2 HOSE CLAMP |
|
6 860137445 1 HOOP |

860523216 PIPE PART
1 2
4
3
|
860523216 PIPE PART 800152539 ENGINE |
|
No. PART NUMBER QTY NAME NOTE PAGE |
|
1 860137372 2 PIPE HOOP |
|
2 860134076 1 DISCHARGING TUBE |
|
3 860120111 1 WATER INLET PIPE |
|
4 800150172 2 PIPE HOOP |

860168255 VARIANT SUPPORTING COMPONENTS
1
2
3 5
4
19
6
7, 8
9
10
11
12
18 1716 15
13,14



